Re: 1571/1581 Sources: Macro WDTEST inserting NOP before reading WD177x status register / writing command register

From: Spiro Trikaliotis <ml-cbmhackers_at_trikaliotis.net>
Date: Thu, 24 Mar 2022 21:45:21 +0100
Message-ID: <YjzYYX4UbO6nz6+V_at_hermes.local.trikaliotis.net>
Hello,

* On Fri, Mar 11, 2022 at 05:41:27PM +0100 I wrote:
> Hello,
> 
> I am trying to understand the sources of the 1571 and 1581 drives.
> 
> In the original drive sources of the 1571 and 1581 (as found on
> zimmers.net), there is a macro WDTEST:
> 
> WDTEST  .macro
>         .ife <*!.$03
>         nop
>         .endif
>         .endm

It seems

1. I am not the first one who discovered this macro and made guesses as
   to what its purpose is: http://forum.6502.org/viewtopic.php?f=2&t=4382;

2. that the people there came up with the same idea like My guess, that
   it has to deal with the data register (cf. "Dr. Jefyll" starting on
   "Tue Jan 31, 2017 2:11 am"), which was later corrected;

3. that changing the sources to remove the NOP does not change the
   behaviour of the 1581: (cf. "flobbydust", "Sat Feb 18, 2017 10:34 am").


As the code is already there with the 1571, it might be a hardware
glitch that was to be prevented that does not exist on the 1581. Or it
might be something that happens very seldom.

I looked at the data sheets of the WD1770/WD1772, the 6502 and the
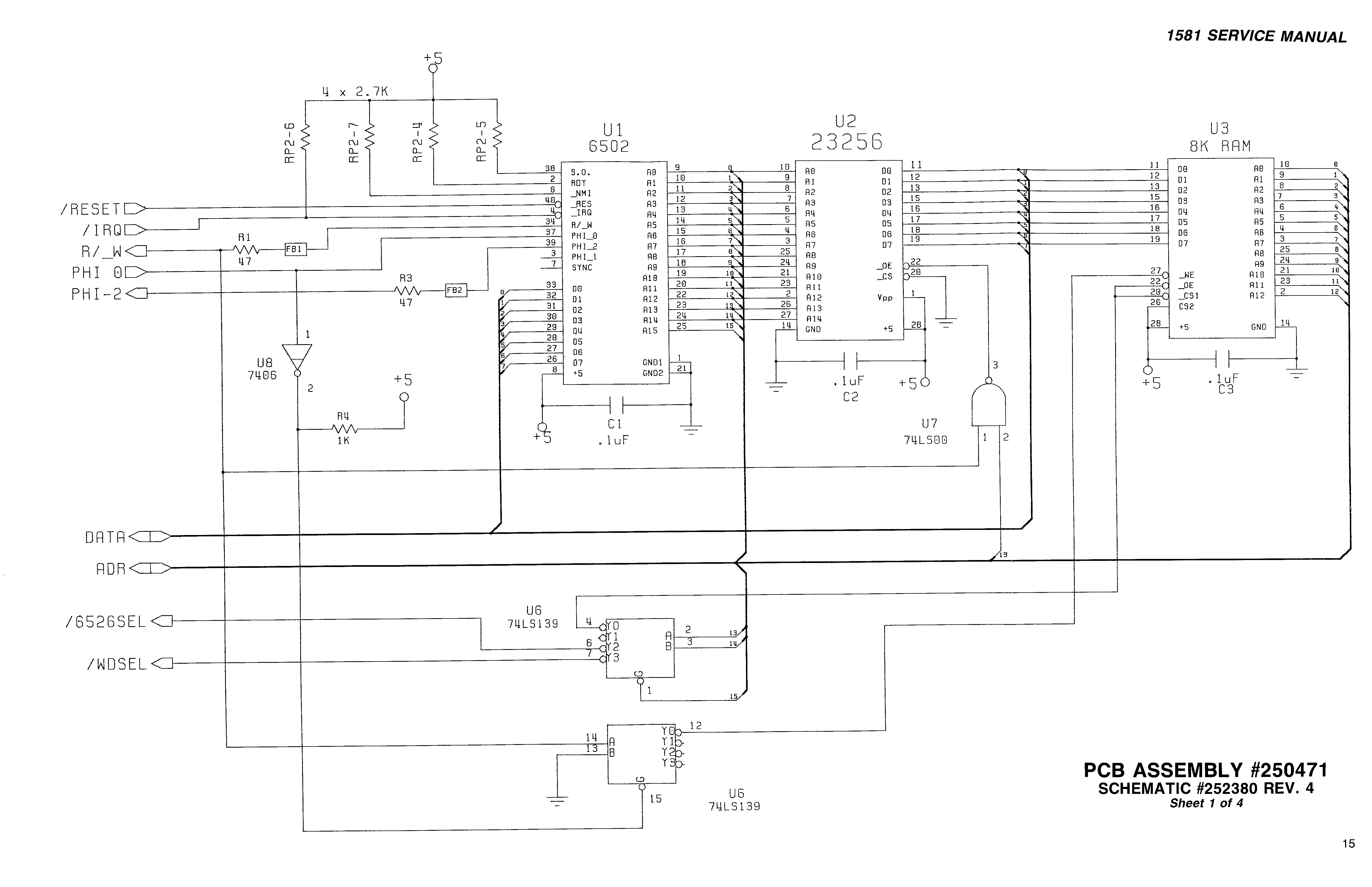
schematics of the 1581:

The -CS for the WD177x is generated as: -CS = -(PHI2 AND NOT -WDSEL)
(cf.
http://www.zimmers.net/anonftp/pub/cbm/schematics/drives/new/1581/1581-16.gif)
with a 74LS00,
and

-WDSEL = is the output of a 74LS139 decoder with A13=A14=1 and A15=0),
connected directly to the 6502 output (cf.
http://www.zimmers.net/anonftp/pub/cbm/schematics/drives/new/1581/1581-15.gif)

So, the -CS is gated directly with PHI2 through a 74LS00. The maximum
propagation delay of it is 15 ns.

For the WD177x, T_AH (address hold after -CS is going high) is minimum
10 ns.

For the 6502, the t_ADH (address hold after PHI2 falls) is minimum 30 ns.

Thus, when PHI2 falls, at most 15 ns later, -CS is de-asserted. Thus,
t_ADH of the 6502 guarantees that it will be stable for at least 15 ns,
which is enough for the T_AH of the WD177x.

I do not see any problems with this on the 1581.


For the 1570/1571, it is different (cf. marked schematics at
https://spiro.trikaliotis.net/download/1571-wd177x.png):

The -CS of the WD177x is generated through a 74F32 (a 2-Input OR gate)
and pin 17 (-CS1) of the 20 pin gate array (marked in red), and PHI1 (!
- marked in green).


So, it seems that the "wild guess" of Frank is right! I did not find any
numbers in the 6502 data sheet of when PHI1 goes high after PHI2 goes
low, but it seems to be later than PHI2. It must be later, because
otherwise, PHI1 and PHI2 would be overlapping.

So, the time to react for the -CS of the WD177x is shortened. This might
explain why Commodore used a 74*F*32, which has a shorter propagation
delay (max of around 7 ns) than a 74LS32 or 74LS00, but it could be that
this is still not enough!


This would explain why the tests of the forum.6502.org thread did not
show any bad effect when the NOP was removed: On the 1581, it seems not
to be critical, but on the 1570/1571, it might be critical!

Regards,
Spiro

-- 
Spiro R. Trikaliotis
https://spiro.trikaliotis.net/
Received on 2022-03-24 22:00:02

Archive generated by hypermail 2.3.0.