Re: The ultimate UltiMax cartridge

From: Gerrit Heitsch <gerrit_at_laosinh.s.bawue.de>
Date: Tue, 22 Oct 2013 20:40:21 +0200
Message-ID: <5266C695.5040405@laosinh.s.bawue.de>
On 10/22/2013 07:54 PM, silverdr@wfmh.org.pl wrote:
>
> On 2013-10-22, at 18:36, Gerrit Heitsch wrote:
>
>> There is a reason why all simple 6502 systems I have seen (that includes the 1541) gate R/_W with PHI2 when talking to a SRAM.
>
> I noticed it too, and that's one of the things I kept asking myself about for some time. Would you be so kind as to elaborate on that reason?

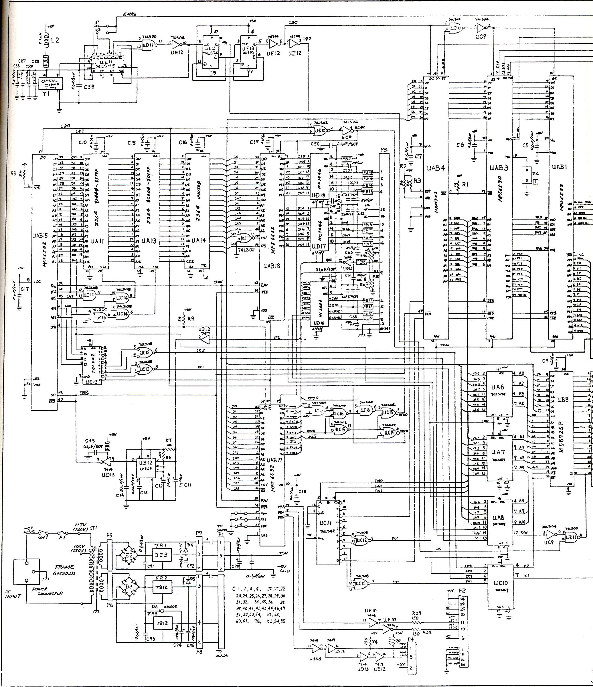
On a normal 6502 system, the address lines are not tristate (no AEC 
signal), but the data lines are which allows things like running two 
6502 on the same data bus if you invert the clock for one of them and 
take care of the address lines with multiplexers to allow shared RAM 
access. This is how the IEEE floppy drives with 2 CPUs operate. Like the 
8050/8250 for example.

http://www.zimmers.net/anonftp/pub/cbm/schematics/drives/old/8050/2003823495978698070_rs.jpg

(The 2 CPUs are UAB15 and UAB4)

Now, once PHI2 goes LOW, the data lines go offline while the address 
lines are still active (not 100% sure about R/_W here, I think it stays 
active too). This means whatever chip was selected at the time will stay 
selected. Doesn't matter for a read cycle, but kind of sucks for a write 
cycle.

With a 6510 or the like on a shared bus, this is about the same, with 
the differences that whatever the CPU shares the bus with will drive the 
address lines while PHI0 is LOW. Unless that chip drives R/_W actively 
(VIC does not, TED does), at the end of a write cycle, AEC will take 
R/_W from the CPU offline, leaving the line to the mercy of a pullup (if 
present). Does it rise fast enough to end the write cycle for the RAM 
before the new addresses are valid and, a propagation delay later, _CS 
takes the RAM off the bus?

It's a bit less complicated with DRAM, there _RAS going HIGH again marks 
the end of the cycle, no matter what the other signals do. This is 
reflected in the C64, with the exception of the 250469 board, the _WE 
pin of the DRAM is directly connected to R/_W from the CPU and it works. 
_WE for the Color-RAM (2114 SRAM) is routed through the PLA though.

That's my understanding of how it works... Corrections welcome.

  Gerrit









       Message was sent through the cbm-hackers mailing list
Received on 2013-10-22 19:02:09

Archive generated by hypermail 2.2.0.