Re: 6510 replacement

From: Spiro Trikaliotis <ml-cbmhackers_at_trikaliotis.net>
Date: Mon, 17 Sep 2012 19:52:22 +0200
Message-ID: <20120917175221.GN12722@trikaliotis.net>
Hello,

* On Sun, Sep 16, 2012 at 11:07:54PM +0200 silverdr@wfmh.org.pl wrote:
> On 2012-09-16, at 21:48, Spiro Trikaliotis wrote:
 
> > Also, have a look at the VIC20 schematics, it has the same circuitry.
> 
> But it doesn't have all the features of a 64/6510, does it? I mean
> AEC, the $00/$01 port, tape is connected to VIA..

I did not know this before, but: The VIC20 also uses the circuitry for
AEC, it's done explicitly.

But you are right, I completely forgot about the on-chip IO port of the
6510. That's not present in the VIC20.

> You mean which circuitry is the same? What can I learn from it that
> could be used in a 64 to implement the missing elements?

The VIC20 uses AEC, but with discrete chips, not on-chip like in the
6510.

Have a look at
http://www.zimmers.net/anonftp/pub/cbm/schematics/computers/vic20/251027l1.gif
(VIC20 CR):

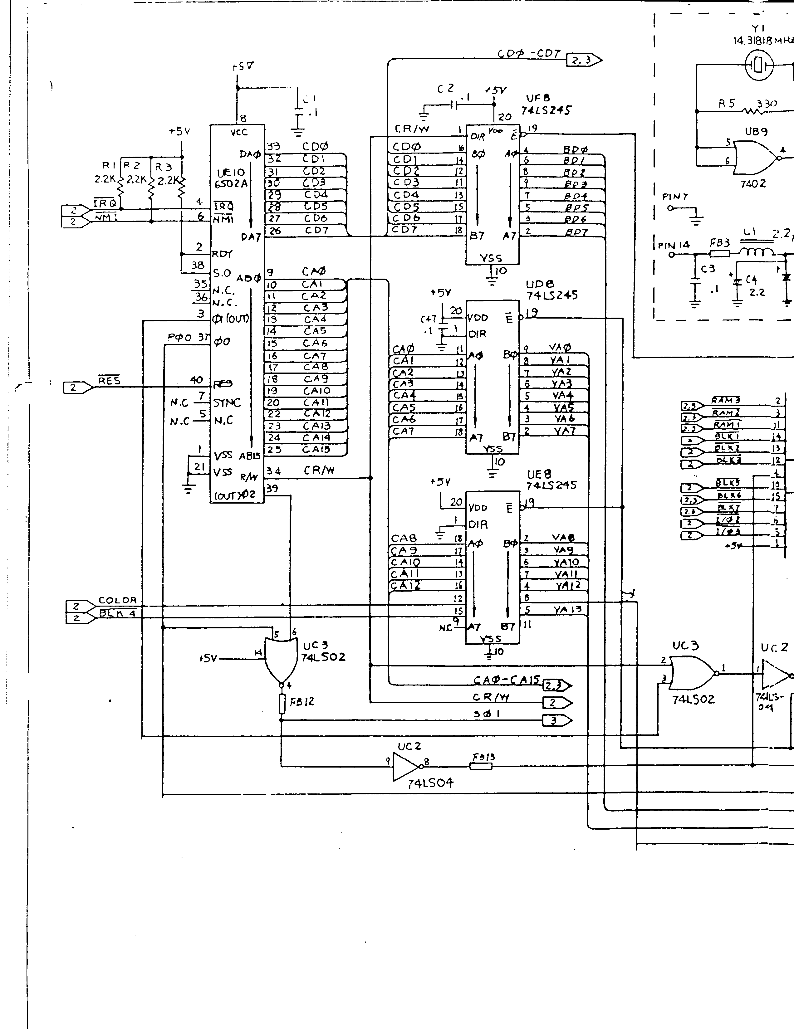
To the left, there is the 6502. Directly nearby it, there are UF8, UE8
and UD8 (all 74LS245) which are used to tristated the address bus (UE8
and UD8) as well as the data bus (UF8).

At
http://www.zimmers.net/anonftp/pub/cbm/schematics/computers/vic20/324001_1.gif,
you can also see better where the -E lines of the LS245 come from: For
the address bus, it is directly from the 6560/61, for the data bus, it
is active (=0) when the decoder does not select any memory area, and a
(modified) PHI2 is is high.

Connecting all -E together to form an -AEC seems to me to be exactly
what the 6510 does. For the 6510, only the on-chip port would have to be
added (and, when addresses 0 or 1 are selected, -AEC should be forced to
high.)

Regards,
Spiro.

-- 
Spiro R. Trikaliotis
http://www.trikaliotis.net/

       Message was sent through the cbm-hackers mailing list
Received on 2012-09-17 18:00:43

Archive generated by hypermail 2.2.0.