Re: SRQ on the TED?

From: HÁRSFALVI Levente <publicmailbox_at_harsfalvi.net>
Date: Mon, 1 May 2023 16:45:11 +0200
Message-ID: <bdcda827-a317-7ffc-1b96-b8ead8e6d473_at_harsfalvi.net>
Hi,


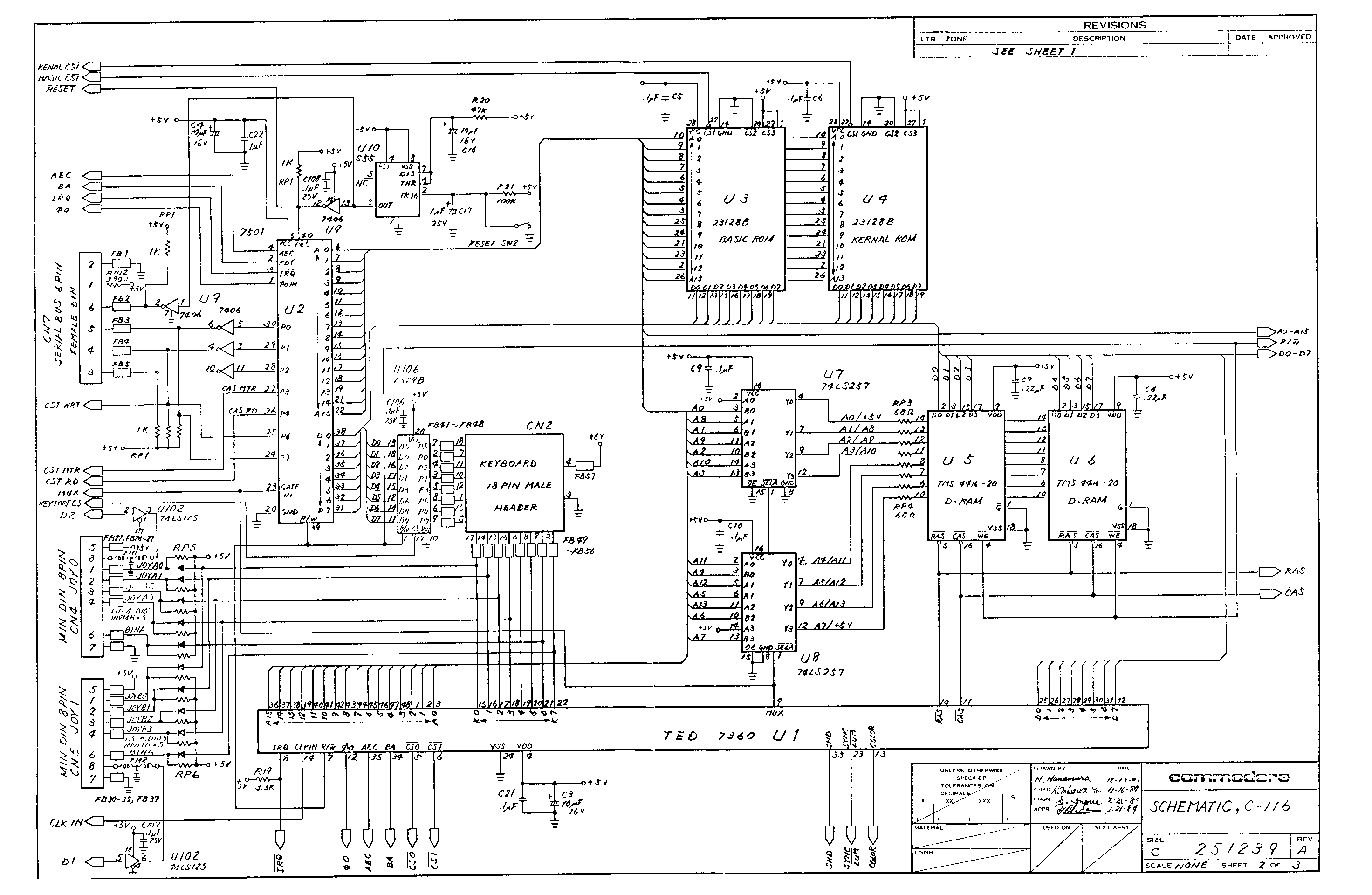
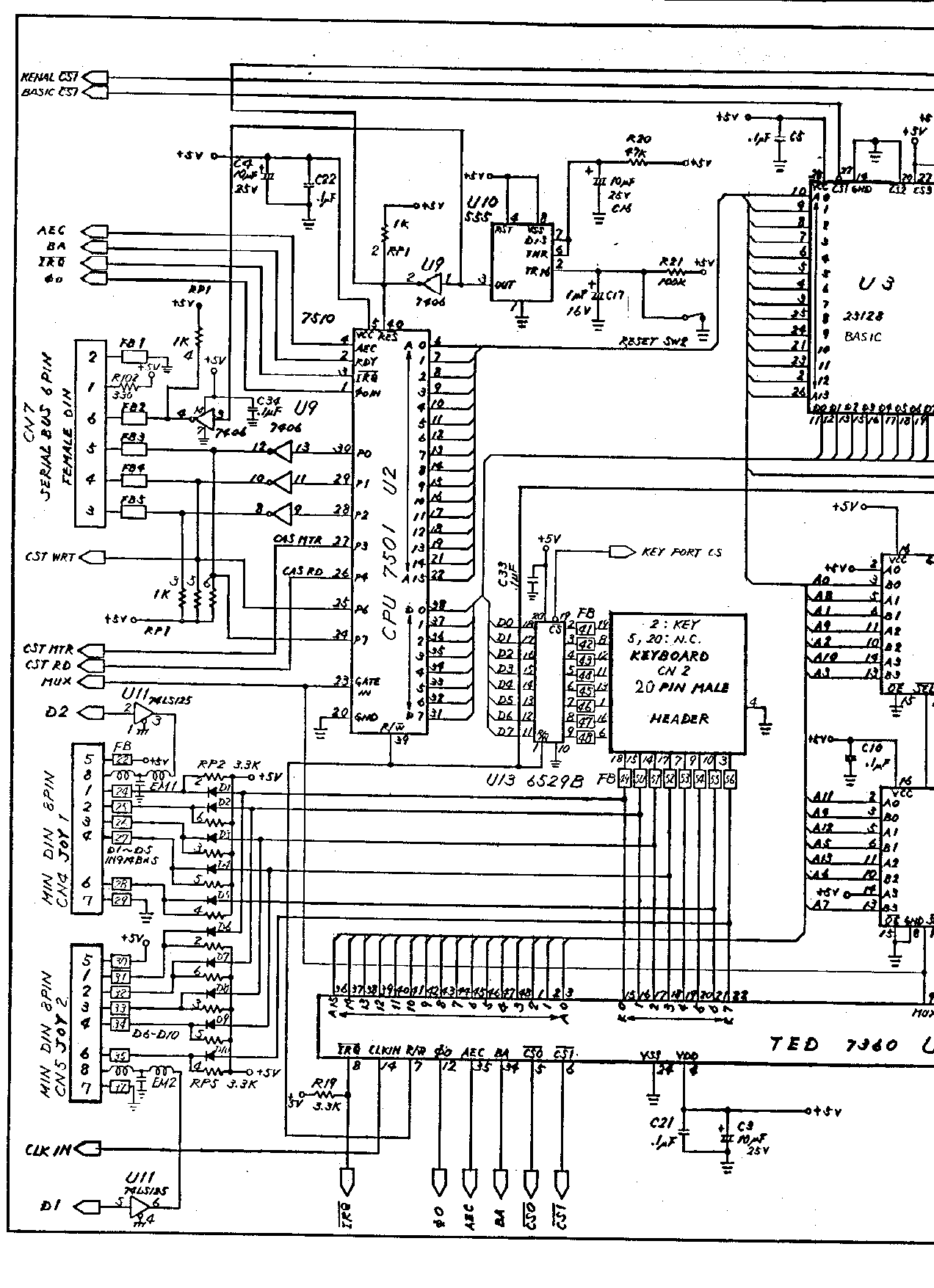
It's N.C. (Plus/4), or, tied to Vcc via a resistor (C16 / C116).

http://www.zimmers.net/anonftp/pub/cbm/schematics/computers/plus4/c16-251788-2of3-left.gif
http://www.zimmers.net/anonftp/pub/cbm/schematics/computers/plus4/c116-251239-2.gif
http://www.zimmers.net/anonftp/pub/cbm/schematics/computers/plus4/plus4-310164-1of4.gif


Best regards,


Levente


On 2023. 05. 01. 16:36, Thom Cherryhomes wrote:
> Does anyone know if the SRQ pin is hooked up to something on the TED 
> machines? I can't find any confirmation either way.
> 
> Basically, I am using the SRQ for the #FujiNet network device to 
> determine if traffic is available (it makes performance wonderful, such 
> as in this video: https://www.youtube.com/watch?v=LT228vuNWgY 
> <https://www.youtube.com/watch?v=LT228vuNWgY>
> 
> It's not the end of the world, if it isn't, but damn, it is one hell of 
> a nut punch if you're trying to do interactive terminal apps. :)
> 
> -Thom
Received on 2023-05-01 18:02:15

Archive generated by hypermail 2.3.0.