Re: Plus/4 RS232 woes

From: smf <smf_at_null.net>
Date: Mon, 3 Sep 2018 18:35:54 +0100
Message-ID: <5c028863-3a85-ff5d-362c-c345a15e009f@null.net>
On 03/09/2018 15:46, Gerrit Heitsch wrote:
>
> I only know about CTS being broken, it will turn off the transmitter 
> in the middle of a byte and that's why the CTS line of the 6551 in the 
> Plus/4 is connected to GND.
>
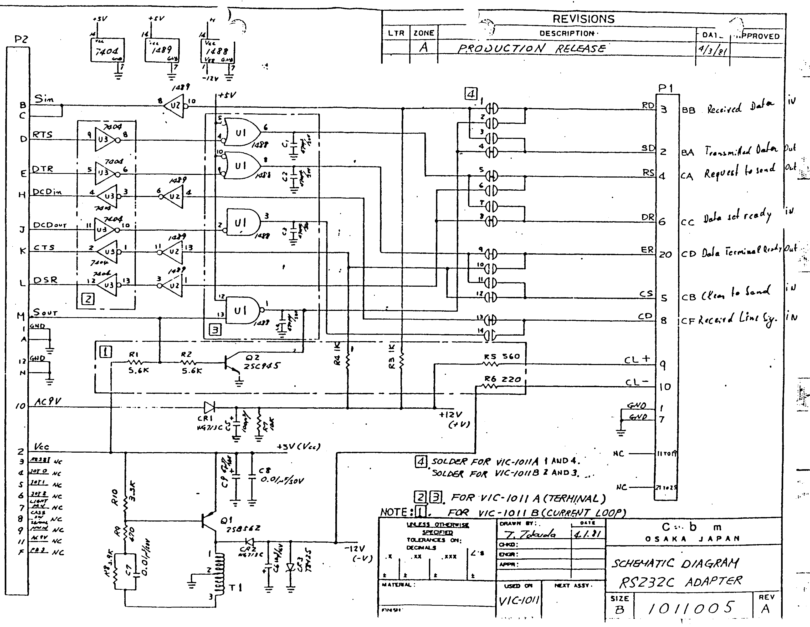
The VIC-1011 RS232 adapter (which the plus 4 user port seems to have 
been designed around) uses one of the 6529 bits for CTS.

K is CTS, but it goes to 6529 P1

http://www.zimmers.net/anonftp/pub/cbm/schematics/cartridges/userport/1011005.gif

http://www.zimmers.net/anonftp/pub/cbm/schematics/computers/plus4/connectors-1.jpg

So the main problem is that you should wait until the transmitter is 
empty before signalling to the other end to stop sending data, it will 
have the effect of stopping you being able to send as well though.

They should have used a 6529 pin for RTS as well. You could add the 
option of using that with a hardware modification.
Received on 2018-09-03 20:01:19

Archive generated by hypermail 2.2.0.