Re: Hardware emulation of 6509 using 6502?

From: Mia Magnusson <mia_at_plea.se>
Date: Fri, 2 Mar 2018 09:20:38 +0100
Message-ID: <20180302092038.000044fe@plea.se>
Den Wed, 28 Feb 2018 01:35:18 -0600 skrev Jim Brain <brain@jbrain.com>:
>   * On a hunch, I inverted the PHI signal going to the 6502, so it
>     matched PHI1_6509.
> 
> The B128 booted up.
> 
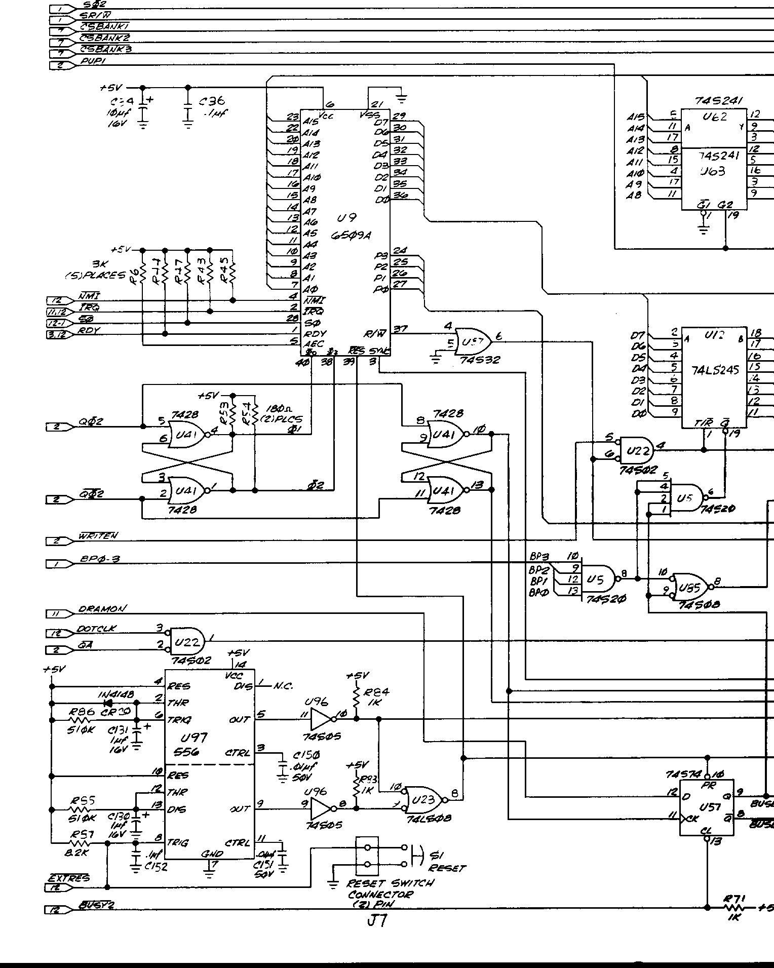
> I had been using the following datasheet for the 6509 reference:   
> http://archive.6502.org/datasheets/mos_6509_mpu.pdf
> 
> Which is linked from Wikipedia, and from the 6502.org web site.
> 
> which shows pin 40 as PHI2_IN, and pin 38 as PHI1_IN
> 
> But, the p500 schematics on Zimmers.net shows them reversed:
> 
> http://www.zimmers.net/anonftp/pub/cbm/schematics/computers/b/4256041-01of15.gif
> 
> As does the B128 LP schematic:
> 
> http://www.zimmers.net/anonftp/pub/cbm/schematics/computers/b/8256043-01of14-left.gif
> 
> And the B128 HP Schematic:
> 
> http://www.zimmers.net/anonftp/pub/cbm/schematics/computers/b/8256059-01.gif
> 
> Thus, it appears the official datasheet is wrong, and has been wrong
> for 40 years.

This also means that Steves KiCad library should be updated as it has
the pinout from the datasheet and not from the P/B schematics and real
life observations.

-- 
(\_/) Copy the bunny to your mails to help
(O.o) him achieve world domination.
(> <) Come join the dark side.
/_|_\ We have cookies.

       Message was sent through the cbm-hackers mailing list
Received on 2018-03-02 10:00:02

Archive generated by hypermail 2.2.0.