Re: FAT-40 PET board check pls?

From: Francesco Messineo <francesco.messineo_at_gmail.com>
Date: Fri, 5 Jan 2018 19:49:11 +0100
Message-ID: <CAESs-_x0Nbhd80xw=w3086UxRQem-_bktgUk5=uk-GOD0Yb2qg@mail.gmail.com>
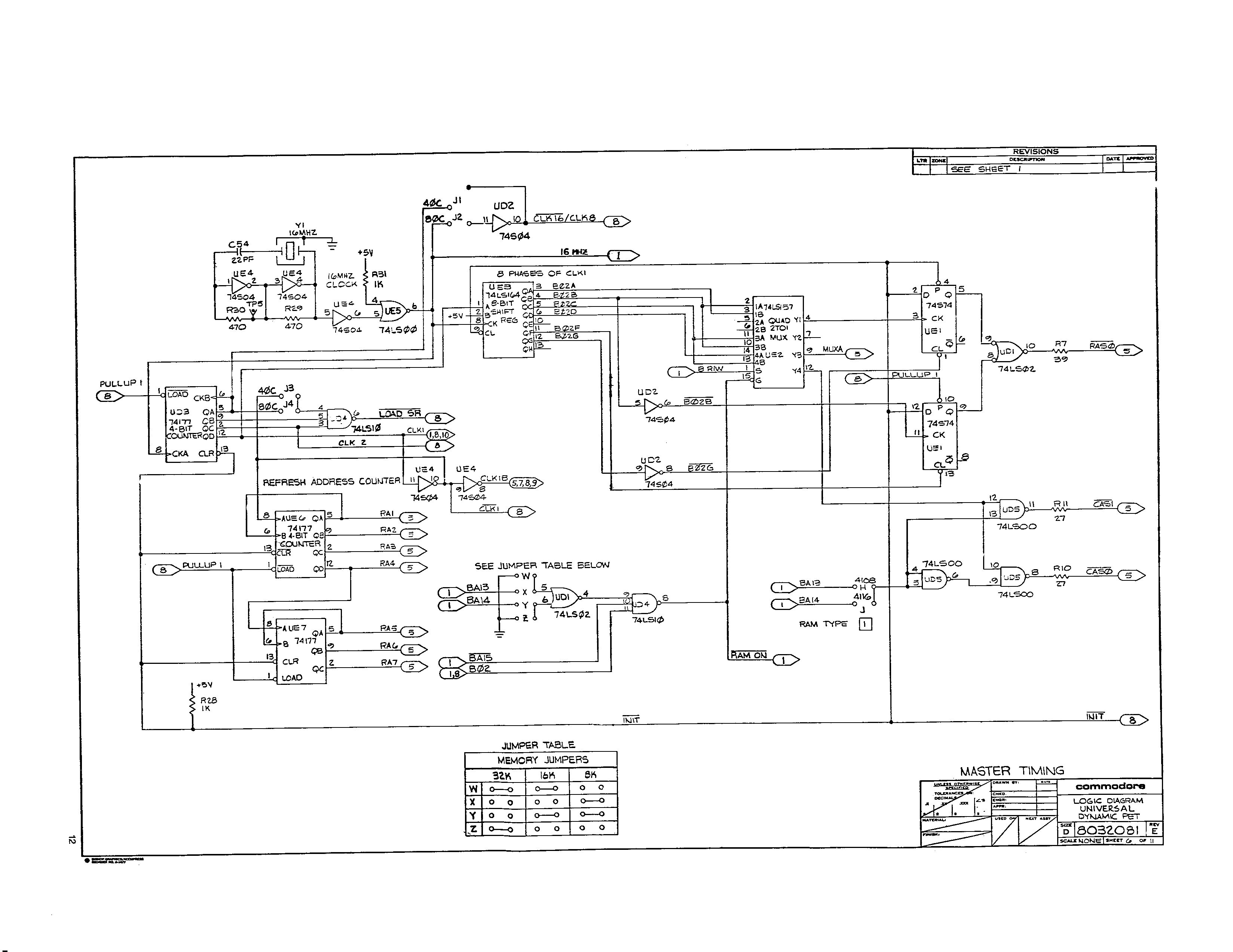
Maybe I don't understand well this schematic:

http://www.zimmers.net/anonftp/pub/cbm/schematics/computers/pet/univ/8032081-06.gif

Does it mean that on 40-c the inverter input remains floating (ok....
TTL, can be) and the inverter output (UD2 pin 10) is connected to
another output (UD3 pin 5) ?
That doesn't sound healthy to me.

On Fri, Jan 5, 2018 at 7:41 PM, Steve Gray <sjgray@rogers.com> wrote:
> Well, that inverter shouldn't be used in a 40-column configuration, so it
> shouldn't really matter.
> Maybe someone just wanted a free inverter for something? Check J1 and J2. J1
> should be closed and J2 open for 40-column.
>
> Steve
>
>
> ________________________________
> From: Francesco Messineo <francesco.messineo@gmail.com>
> To: cbm-hackers@musoftware.de
> Sent: Friday, January 5, 2018 1:35 PM
> Subject: Re: FAT-40 PET board check pls?
>
> On Fri, Jan 5, 2018 at 7:13 PM, Steve Gray <sjgray@rogers.com> wrote:
>> No, they're not supposed to be lifted, instead the jumpers J1 and J2
>> should
>> be properly configured.These pins are part of an inverter in the clock
>> section to change the master timing. Its possible that this was an
>> 80-column
>> machine converted to 40.
>
> it's missing the additional video RAM to be an 80 column, all the
> jumpers he could check where for 40-c.
> Why one would lift those pins if converting a board?
>
>
> Thanks
> Frank
>
>> ________________________________
>> From: Francesco Messineo <francesco.messineo@gmail.com>
>> To: cbm-hackers@musoftware.de
>> Sent: Friday, January 5, 2018 11:48 AM
>> Subject: FAT-40 PET board check pls?
>>
>> Hi all,
>> can anyone with a 4032 (crtc 8032080 assy) please check if UD2 pin 10
>> and 11 are supposed to be lifted from the board?
>> A friend, not on this list, is repairing one and asked about this, he
>> found these two pins lifted. According to the schematic, they should
>> not be lifted, but I've never seen an 8032080 assy to be sure.
>>
>> Thanks a lot
>> Frank
>>
>>      Message was sent through the cbm-hackers mailing list
>>
>>
>
>       Message was sent through the cbm-hackers mailing list
>
>

       Message was sent through the cbm-hackers mailing list
Received on 2018-01-05 19:02:54

Archive generated by hypermail 2.2.0.