Re: PET 3032 alive :)

From: Gerrit Heitsch <gerrit_at_laosinh.s.bawue.de>
Date: Thu, 2 Feb 2017 20:30:30 +0100
Message-ID: <44fd0a19-ada6-448f-a224-14d33dc1f280@laosinh.s.bawue.de>
On 02/02/2017 08:26 PM, Gerrit Heitsch wrote:
> On 02/02/2017 07:32 PM, Francesco Messineo wrote:
>> And it's dead again :(
>> I was typing the cbmlink bootstrap basic program.
>> I saved it on tape and I was trying the first test runs as it just
>> died on me.
>> Now at reset it clears the video memory and sometimes it displays a
>> few random characters but most of the time the screen remains just
>> blank.
>> I'm going to try to substitute the kernel ROM since on one of my
>> programmers refuses to read entirely (on another one reads fine every
>> time).
>> With no kernel ROM, the screen remains full of characters as it should.
>> Ok... old hardware isn't so easy to fix after all.
>
> Could be a bad RAM. As far as I know, the 3032 uses 2 banks of 4116
> DRAMs. You can swap both banks by desoldering and then crossing 2
> resistors. If it's RAM, that should make the system behave differently.
> Which ones? For that I would need the schematics... Anyone have them?

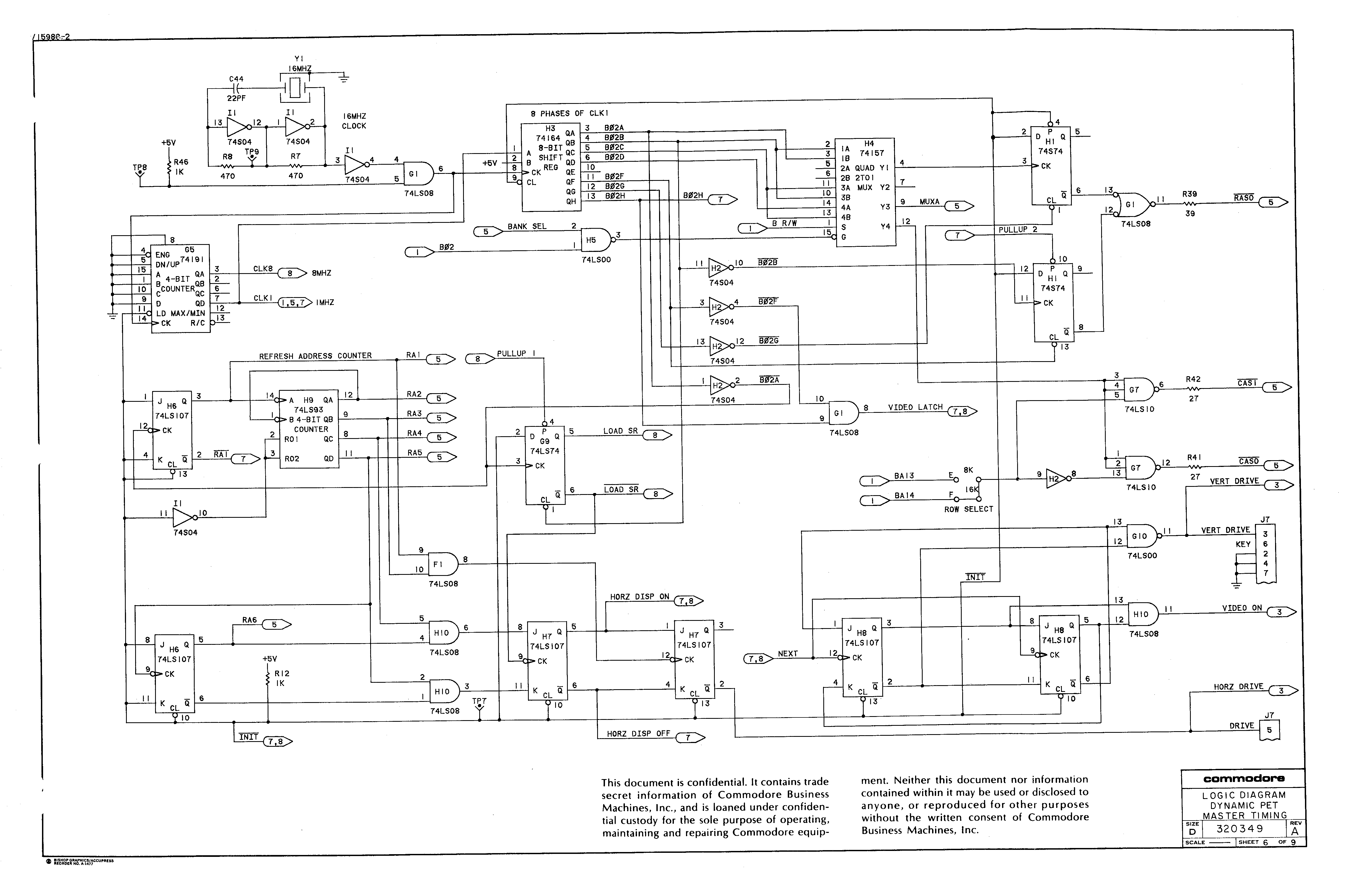
If the schematics at

http://www.zimmers.net/anonftp/pub/cbm/schematics/computers/pet/2001N/320349-6.gif

fit your board, it would be R41 and R42 which you'd have to cross to 
swap the banks.

  Gerrit



       Message was sent through the cbm-hackers mailing list
Received on 2017-02-02 20:01:42

Archive generated by hypermail 2.2.0.