Re: commodore keyboards hardware details

From: Rhialto <rhialto_at_falu.nl>
Date: Sat, 24 Nov 2012 11:50:26 +0100
Message-ID: <20121124105026.GA2911@falu.nl>
On Sat 24 Nov 2012 at 10:30:12 +0100, Groepaz wrote:
> so the question is: do the PET and CBM2 keyboards work the same?

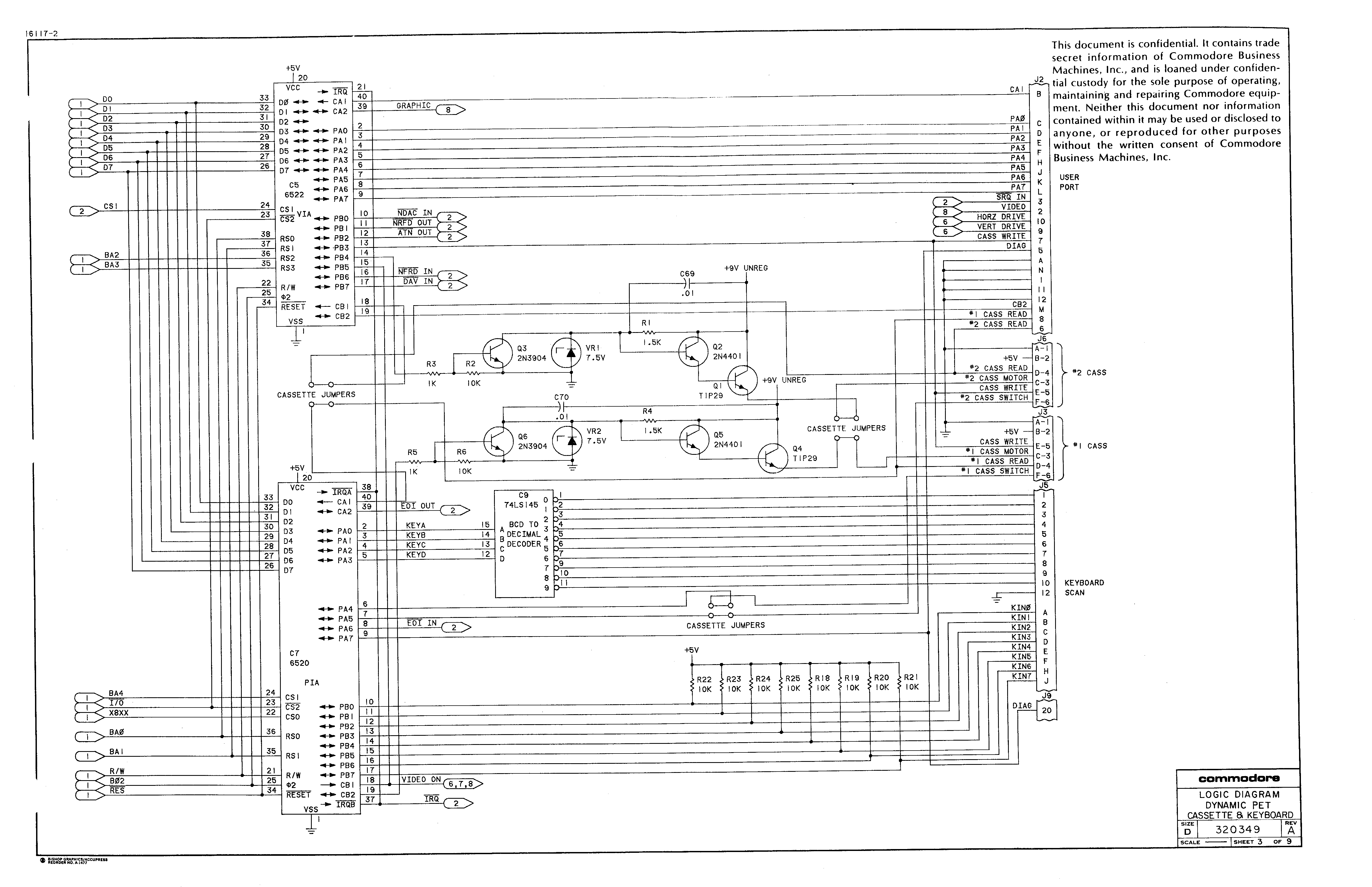
Well one big difference between C64 keyboards and PET keyboards is that
where the C64 is directly connected to the matrix, the PET goes through
a 4-to-10 selector to select the rows.
See
http://www.zimmers.net/anonftp/pub/cbm/schematics/computers/pet/2001N/320349-3.gif
for this in one of the board versions.

For CBM2, looking at
http://www.zimmers.net/anonftp/pub/cbm/schematics/computers/b/4256041-09of15.gif
it uses apparently 3 ports, 2 for column select and 1 for row read. I
see extra diodes on the column select, so I presume that is to prevent
connecting those port bits to each other through multiple key presses.

-Olaf.
-- 
___ Olaf 'Rhialto' Seibert  -- There's no point being grown-up if you 
\X/ rhialto/at/xs4all.nl    -- can't be childish sometimes. -The 4th Doctor

       Message was sent through the cbm-hackers mailing list
Received on 2012-11-24 11:00:15

Archive generated by hypermail 2.2.0.