CASSETTE MOTOR DRIVE Questions

From: Jim Brain <brain_at_jbrain.com>
Date: Fri, 17 Feb 2012 00:11:02 -0600
Message-ID: <4F3DEF76.6010702@jbrain.com>
Looking over the Cassette motor circuit on the various Commodore units, 
I noticed Commodore used a few different drive circuits through the 
years.  My transistor theory is very rusty, and I'm hoping someone else 
can shed some light on the differences:

All of them implement a similar circuit.

An initial circuit flips the logic level of the MOTOR signal.
THe second circuit bleeds 9-12VDC via a resistor into the base of a 
power NPN, while tying the Collector to the voltage, and the Emitter to 
the cassette motor.  A Zener on the drive's base holds the voltage from 
getting too high.

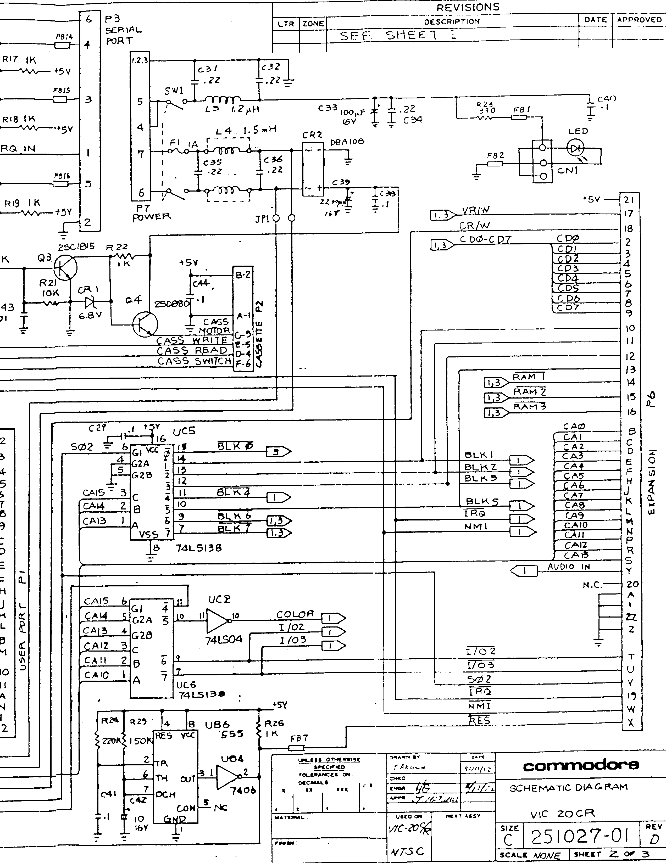
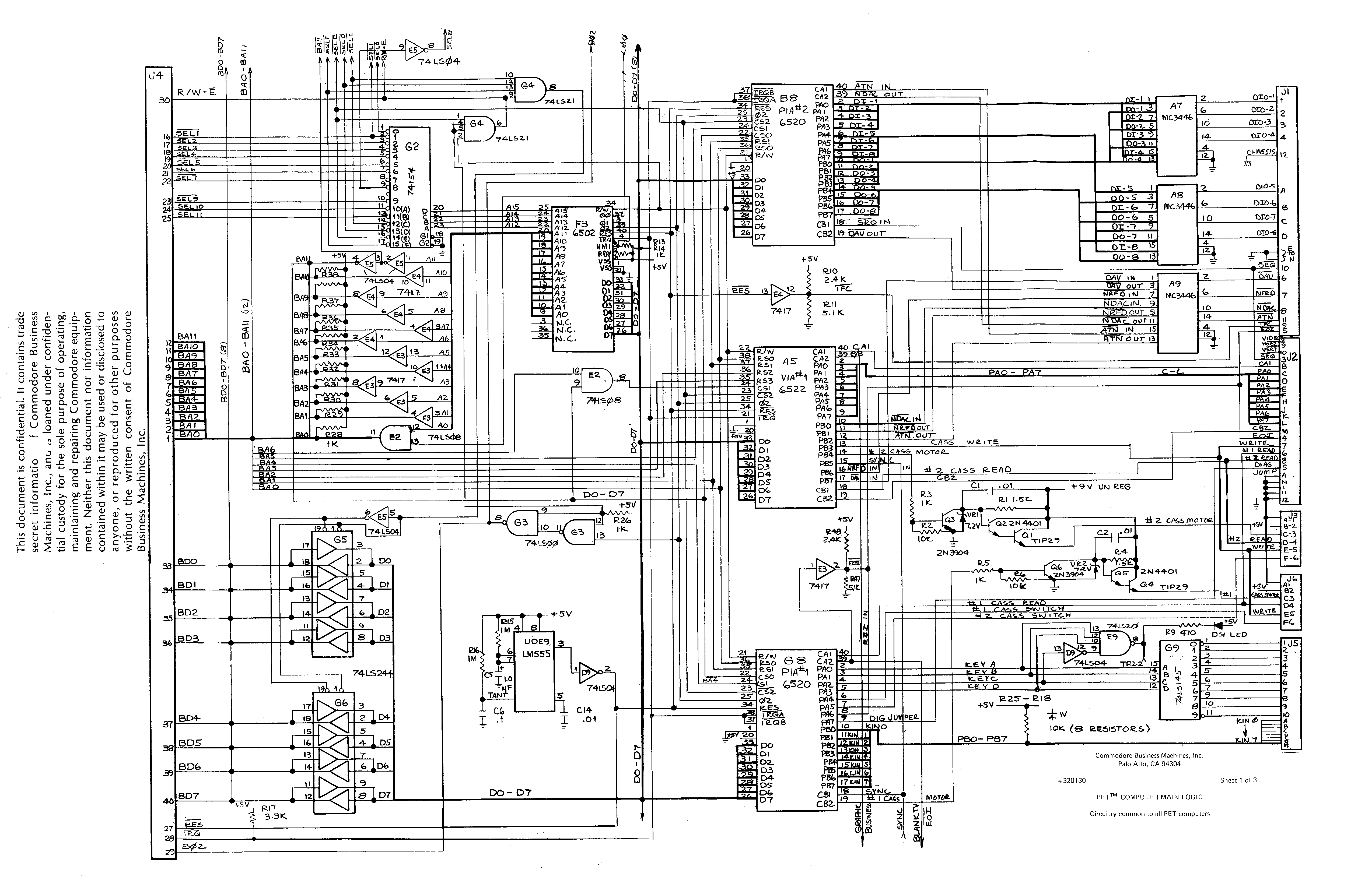
http://www.zimmers.net/anonftp/pub/cbm/schematics/computers/pet/2001/320130-1.gif
On the 2001, we see a 2n3904 flipping the polarity of the MOTOR signal, 
and the darlington setup of 2n4401 and TIP29 used to drive the MOTOR
The 2001N and the B series uses the same circuit


http://zimmers.net/anonftp/pub/cbm/schematics/computers/pet/8032/8032029-03.gif
The 8032 swaps out the 2n3904 for a 2n222, likewise for the 2n4401

http://www.zimmers.net/anonftp/pub/cbm/schematics/computers/pet/8296/324644-3of9.gif
The 8296 uses a 7416 instead of the first stage transistor, and ditches 
the darlington arrangement for a single TIP110

http://www.zimmers.net/anonftp/pub/cbm/schematics/computers/vic20/251027r2.gif
The VIC uses a 2sc1815 for the first stage and a 2sd880 for the driver, 
no darlington, and the zener goes from 7.5V to 6.8.  Interestingly, I 
can understand that in light of the lack of darlington (no need to 
figure B-E voltage drop through the first part of the darlington), but 
it seems odd that the 8296 didn't use a darlington and used the 7.5V 
zener as earlier circuits.  To me, that implies the 8296 cassette motors 
run overvoltage.

http://www.zimmers.net/anonftp/pub/cbm/schematics/computers/c64/250469-rev.A-left.gif
The 64 keeps the 2sc1815, but uses a 2sd313 for the drive

http://www.zimmers.net/anonftp/pub/cbm/schematics/computers/plus4/c116-251239-1.gif
The +4 keeps the 2sd880 drive, but uses a 7406 for the first stage

http://www.zimmers.net/anonftp/pub/cbm/schematics/computers/c128/310378-3-left.gif
As does the C128.

http://www.zimmers.net/anonftp/pub/cbm/schematics/computers/b/4256041-11of15.gif
B goes back to the PET circuit.

Questions:

  * Why was the darlington pair needed with the 2n3904/2n2222 setups but
    not with the 2sc1815/7406/7416 setups?  Is the TIP29 that hard to
    toggle?
  * The 2n3904/2n2222 and TIP29 are commodity.  Why did the VIC go with
    more specific transistors?
  * The 2n3904/2n2222 circuits have a 10K to ground on the first stage
    transistor base.  I assume this weakly holds base at GND until a
    signal appears.  This does not show on the VIC,64.  Why not?

Jim

-- 
Jim Brain
brain@jbrain.com
www.jbrain.com


       Message was sent through the cbm-hackers mailing list
Received on 2012-02-17 07:00:03

Archive generated by hypermail 2.2.0.