Re: Procep SECAM Re: C16/Plus4

From: Gerrit Heitsch <gerrit_at_laosinh.s.bawue.de>
Date: Wed, 02 Nov 2011 18:49:34 +0100
Message-ID: <4EB182AE.3050608@laosinh.s.bawue.de>
On 11/02/2011 02:12 PM, Richard Atkinson wrote:

> (Incidentally as yet another aside, I wonder how the
> 6560/6561 VIC-I chrominance encoding works, as it predates this patent, and
> in the case of the 6561 it only receives PAL subcarrier frequencies at 1x
> subcarrier frequency)

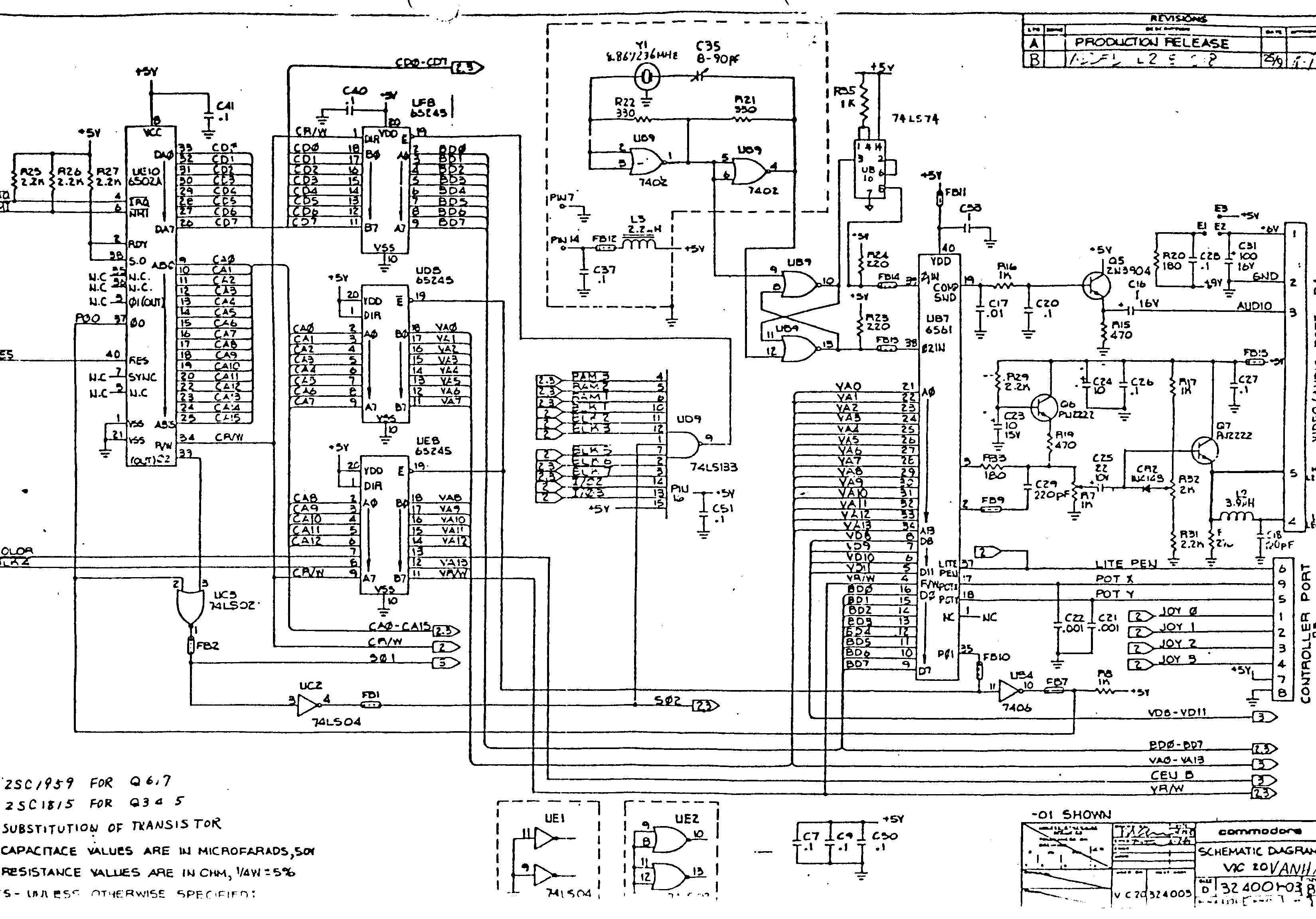
You sure about that? According to

http://www.zimmers.net/anonftp/pub/cbm/schematics/computers/vic20/324001_1.gif

the PAL VIC in the VC-20 uses a Crystal at twice PAL clock and the chip 
has 2 clock inputs, one of them is the clock after being run through a 
74LS74. Makes me wonder if they did some dirty tricks with this.

The NTSC-VIC uses the normal 14.318MHz crystal (according to the schematic).

Also, even though the 6560 is older than the patent, as far as I know 
they did backport some of the things they learned when designing the ill 
fated 6562 to the 6560/61.

  Gerrit


       Message was sent through the cbm-hackers mailing list
Received on 2011-11-02 18:00:21

Archive generated by hypermail 2.2.0.