Re: 8050 ROM dump

From: MikeS <dm561_at_torfree.net>
Date: Sat, 16 Apr 2011 13:31:54 -0400
Message-ID: <786C4D905F7742D68E882857D55CA80C@vl420mt>
Makes sense that since the 8KB JEDEC SRAMs and EPROMs were 28 pins then
there would be corresponding 28 pin ROMs and you certainly can't rely on the
numeric part of the part number to always refer to equivalent parts, but
that post in the archive does show the wrong version (especially since it 
also says "Compatible with the Motorola 68764 & 68766 Eproms").

I've never seen 28 pin 8KB ROMs in CBM equipment either (or IBM PC/XTs for
that matter); I assume they used the 24 pin versions because they were
cheaper (and harder to copy? ;-).

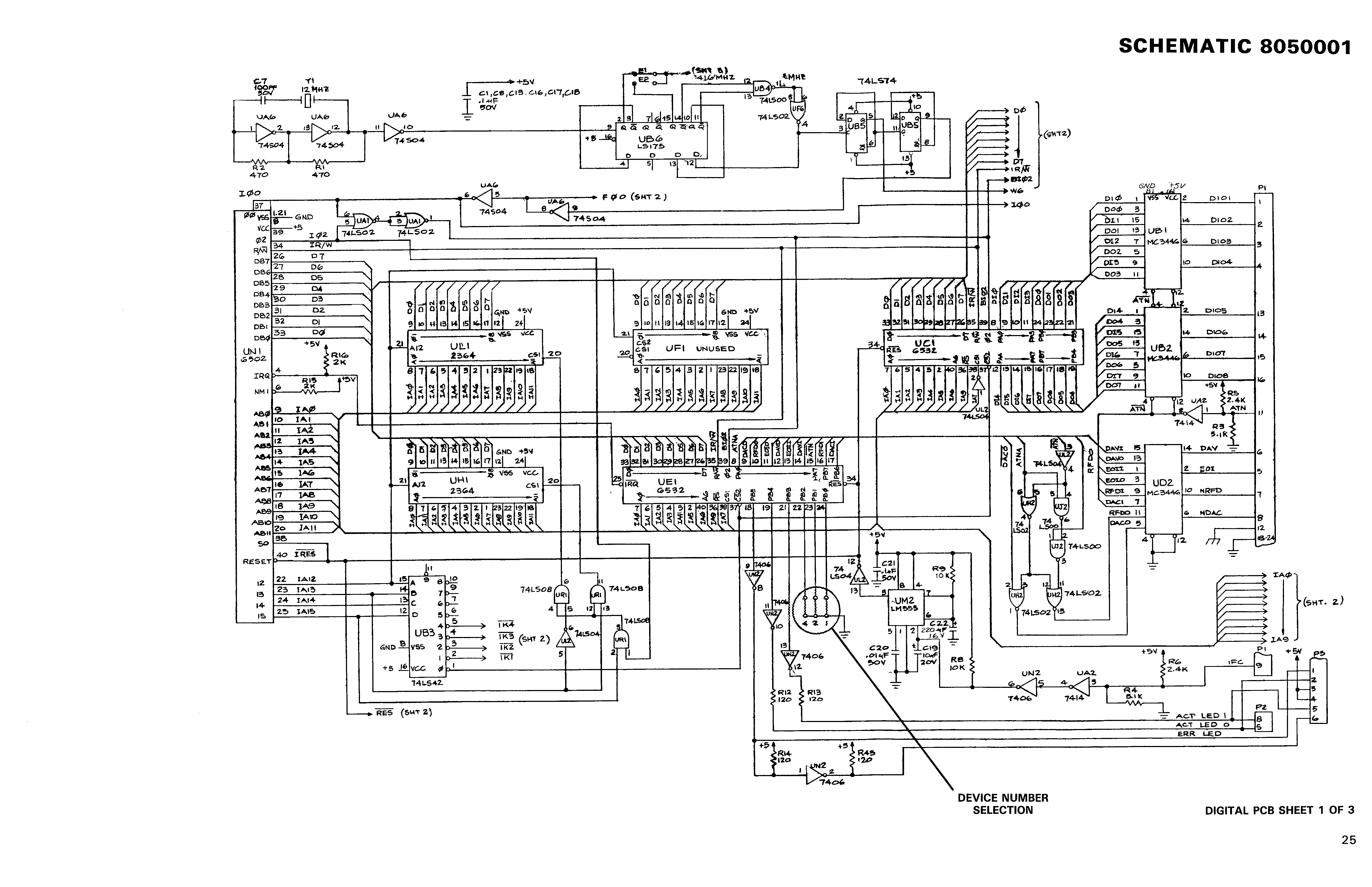
Here's the 8050 schematic that shows the active-high CS:
http://www.zimmers.net/anonftp/pub/cbm/schematics/drives/old/8050/8050-25.gif

When I read all FFs' in my programmer I looked at the schematic; lifting pin
20 and connecting a pullup to Vcc did the trick.

Here's the schematic showing the 6316:
http://www.zimmers.net/anonftp/pub/cbm/schematics/drives/old/8050/8050-27.gif

Same deal, except I lifted pin 21 and connected a pull-down to Gnd.

I still think I read about this issue in connection with another CBM
product, but can't remember what (or if, really ;-)

mike


---- Original Message ----- 
From: "Spiro Trikaliotis" <ml-cbmhackers@trikaliotis.net>
To: <cbm-hackers@musoftware.de>
Sent: Saturday, April 16, 2011 4:59 AM
Subject: Re: 8050 ROM dump


> Hello,
>
> * On Fri, Apr 15, 2011 at 10:20:32PM -0500 Jim Brain wrote:
>
>> That was news to me.  All of the 2364 pinouts I have ever seen had pin
>> 20 as active low.  The only reference for that is from this list a
>> decade ago:
>>
>> http://www.softwolves.com/arkiv/cbm-hackers/1/1399.html
>>
>> But, the information:
>>
>> 1  NC             28  VCC
>> 2  A12            27  S3/-S3/NC (PROGRAMMABLE)
>> 3  A7             26  S4/-S4/NC (PROGRAMMABLE)
>> 4  A6             25  A8
>> 5  A5             24  A9
>> 6  A4             23  A11
>> 7  A3             22  S2/-S2 (PROGRAMMABLE)
>> 8  A2             21  A10
>> 9  A1             20  S1/-S1 (PROGRAMMABLE)
>> 10 A0             19  Q7
>> 11 Q0             18  Q6
>> 12 Q1             17  Q5
>> 13 Q2             16  Q4
>> 14 GND            15  Q3
>>
>> Doesn't add up to me.  2364s have never had 28 pins.
>
> They have. For example, the TMM2364P (from Toshiba) has 28 pins:
>
>   http://www.trikaliotis.net/Download/datasheets/tmm2364.pdf
>
> The TMM2365P even has the programmable CS lines:
>
>   http://www.trikaliotis.net/Download/datasheets/tmm2365.pdf
>
> With Toshiba, the TMM2366P is what we all know as 2364:
>
>   http://www.trikaliotis.net/Download/datasheets/tmm2366.pdf
>
> Note: These are all scans I just made myself; they are from a "Toshiba
> MOS Memory Products Data Book" dated 10/1982. (Sometimes it pays of not
> to throw away such things.)
>
> In fact, these data sheets always made me surprised when I saw 2364 in
> CBM equipment having only 24 pins. ;)
>
> If anyone needs more info on Toshiba Memories not available anywhere
> else, the data book also contains info about:
>
> - Dynamic Random Access Memories (DRAM)
>    TMM416P/D         16.384 bit,  16k x 1
>    TMM4164C          65.536 bit,  64k x 1
>    TMM4164P          65.536 bit,  64k x 1
>
> - Static Random Access Memories (SRAM)
>    TMM314AP/APL       4.096 bit,  1k x 4
>    TMM315D            4.096 bit,  4k x 1
>    TMM2016P/D        16.384 bit,  2k x 8
>    TMM2016AP (prel.) 16.384 bit,  2k x 8
>    TMM2016HD (prel.) 16.384 bit,  2k x 8
>
> - CMOS Static Random Access Memories (CMOS-SRAM)
>    TC5501P/D          1.024 bit, 256 x 4
>    TC5508P            1.024 bit,  1k x 1
>    TC5047AP           4.096 bit,  1k x 4
>    TC5504AP/AD        4.096 bit,  4k x 1
>    TC5514P            4.096 bit,  1k x 4
>    TC5514AP/AD        4.096 bit,  1k x 4
>    TC5513AP/AD        4.096 bit,  1k x 4
>    TC5516AP/AD/AF    16.384 bit,  2k x 8
>    TC5517AP/AD/AF    16.384 bit,  2k x 8
>    TC5517BP/BD/BF    16.384 bit,  2k x 8
>    TC5518BP/BD/BF    16.384 bit,  2k x 8
>    TC5564P           65.536 bit,  8k x 8
>    TC5565P           65.536 bit,  8k x 8
>
> - Erasable/Programmable Read Only Memories (EPROM)
>    TMM323D           16.384 bit,  2k x 8
>    TMM323DI          16.384 bit,  2k x 8
>    TMM2732D          32.768 bit,  4k x 8
>    TMM2732DI         32.768 bit,  4k x 8
>    TMM2764D          65.536 bit,  8k x 8
>
> - Mask Programmable Read Only Memories
>    TMM334P           16.384 bit,  2k x 8
>    TMM333P           32.768 bit,  4k x 8
>    TMM2332P          32.768 bit,  4k x 8
>    TMM2364P          65.536 bit,  8k x 8
>    TMM2365P (prel.)  65.536 bit,  8k x 8
>    TMM2366P (prel.)  65.536 bit,  8k x 8
>    TMM23256P        262.144 bit, 32k x 8
>
>
> Regards,
> Spiro.
>
> -- 
> Spiro R. Trikaliotis                              http://opencbm.sf.net/
> http://www.trikaliotis.net/                     http://www.viceteam.org/
>
>       Message was sent through the cbm-hackers mailing list


       Message was sent through the cbm-hackers mailing list
Received on 2011-04-16 18:00:03

Archive generated by hypermail 2.2.0.