RE: KERNAL cartridge

From: Rainer Buchty <rainer_at_buchty.net>
Date: Sat, 20 Nov 2010 00:13:20 +0100 (CET)
Message-ID: <alpine.DEB.2.00.1011200012410.2992@archimobil.fritz.box>
On Fri, 19 Nov 2010, Baltissen, GJPAA (Ruud) wrote:

> This has been discussed years ago. I know this because I pointed to an 
> article in the German magazine 64'er of September 1987. This article 
> enables you to do exactly what you want. IIRC I even made a GIF of the 
> schematic. But not being at home I cannot help you further right now.

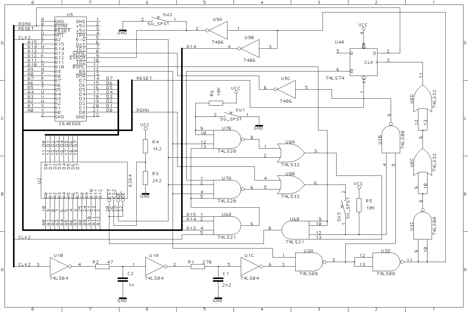
This one, I presume?

http://www.zimmers.net/anonftp/pub/cbm/documents/projects/other/c64-kernal-cartridge.gif

Rainer


       Message was sent through the cbm-hackers mailing list
Received on 2010-11-20 00:00:09

Archive generated by hypermail 2.2.0.