Re: [Fwd: Re: Schematic MAX Basic cartridge for download]

From: donni (donni_at_com64.com)
Date: 2008-11-17 17:20:19

This schematic on lycos: 
http://members.lycos.nl/ijmtu/hpbimg/MAX%20machine%20schematic.jpg
was reversed egineerd from a MAX machine I had sitting in front of me.
Why not use that one instead of a schematic full of errors, made from some 
unreadable copy?
Also the schematic on zimmers.net is not what is inside any max machine I 
ever seen, maybe it's the schematic for the very first version of the MAX 
machine ??

-donni



----- Original Message ----- 
From: "Marko Mäkelä" <msmakela@gmail.com>
To: <cbm-hackers@ling.gu.se>
Sent: Monday, November 17, 2008 8:44 AM
Subject: Re: [Fwd: Re: Schematic MAX Basic cartridge for download]


> On Sun, Nov 16, 2008 at 06:31:56PM -0600, Jim Brain wrote:
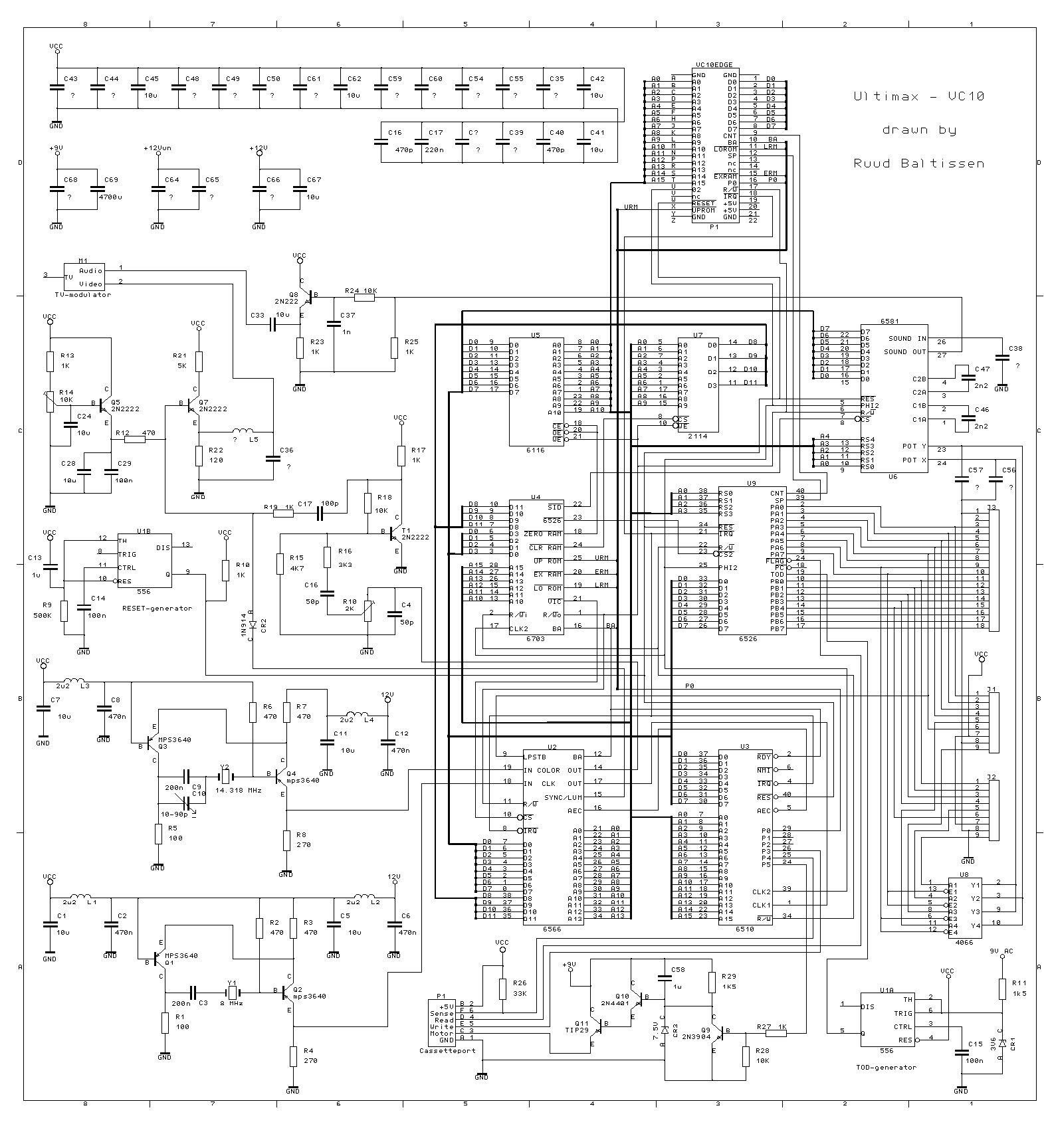
>> The schematic he refers to in zimmers is the one Ruud did:
>>
>> http://www.zimmers.net/cbmpics/cbm/max/ultimaxSchematic.gif
>>
>> Is there any way to fix this?
>
> As far as I remember, Ruud based his work on an almost unreadable paper 
> copy
> that I got from somewhere.  The cartridge port pin numbers were reversed
> in that copy, too.
>
> If Ruud doesn't have the original any more, I can see if I can find it.
> But I don't have access to any scanning equipment any more, and a good
> scanner would be required, given the low contrast and high amount of
> noise in the original.
>
> Marko
>
>> -------- Original Message --------
>> Subject: Re: Schematic MAX Basic cartridge for download
>> Date: Fri, 14 Nov 2008 13:12:53 -0800 (PST)
>> From: Sam <siem.appelman@quicknet.nl>
>> Organization: http://groups.google.com
>> Newsgroups: comp.sys.cbm
>> References:
>> <7257f2f4-86c8-4f77-81fe-d4b534ec0a38@n1g2000prb.googlegroups.com>
>> <6o3et1F1lkamU1@mid.individual.net>
>> <4e227edc-f43c-482a-b9b7-7406f54dfa91@e1g2000pra.googlegroups.com>
>> <86770d7d-6391-436c-bd64-ea34c31e09f6@1g2000prd.googlegroups.com>
>>
>>  - Tekst uit oorspronkelijk bericht weergeven -
>>
>> Hello Steve,
>>
>> You are right about the labelling, but that makes no sense for working
>> of the cartridge.
>> But I found out  the schematic on zimmers.net is not correct.
>>
>> On the cartridgeport the pin numbers 1 - 22 and A -Z are reversed.
>> And pins 14 and 15 on that schematic, who are in fact 8 and 9, are not
>> connected ??
>> In that case connecting pin 9 and 10 in my schematic should make no
>> sense, but is does !
>> With pin 9 and 10 open, no cursur on the Max...
>>
>> I found another MAX schematic that should be allright:
>>
>> http://members.lycos.nl/ijmtu/hpbimg/MAX%20machine%20schematic.jpg
>>
>> Greetings, Sam
>>
>>       Message was sent through the cbm-hackers mailing list
>
>       Message was sent through the cbm-hackers mailing list


--------------------------------------------------------------------------------



No virus found in this incoming message.
Checked by AVG - http://www.avg.com
Version: 8.0.175 / Virus Database: 270.9.4/1794 - Release Date: 11/17/2008 
8:48 AM


       Message was sent through the cbm-hackers mailing list

Archive generated by hypermail pre-2.1.8.